- 搪玻璃设备
- 王经理:05332860177
- 不锈钢有色金属设备
- 傅经理:13906430854
- 衬四氟设备及配件
- 傅经理:15253328001
- 技术咨询服务
- 王经理:18653342297
10000L搪玻璃反应釜主要参数及图纸
来源:搪瓷反应釜厂家??日期:2022-12-09
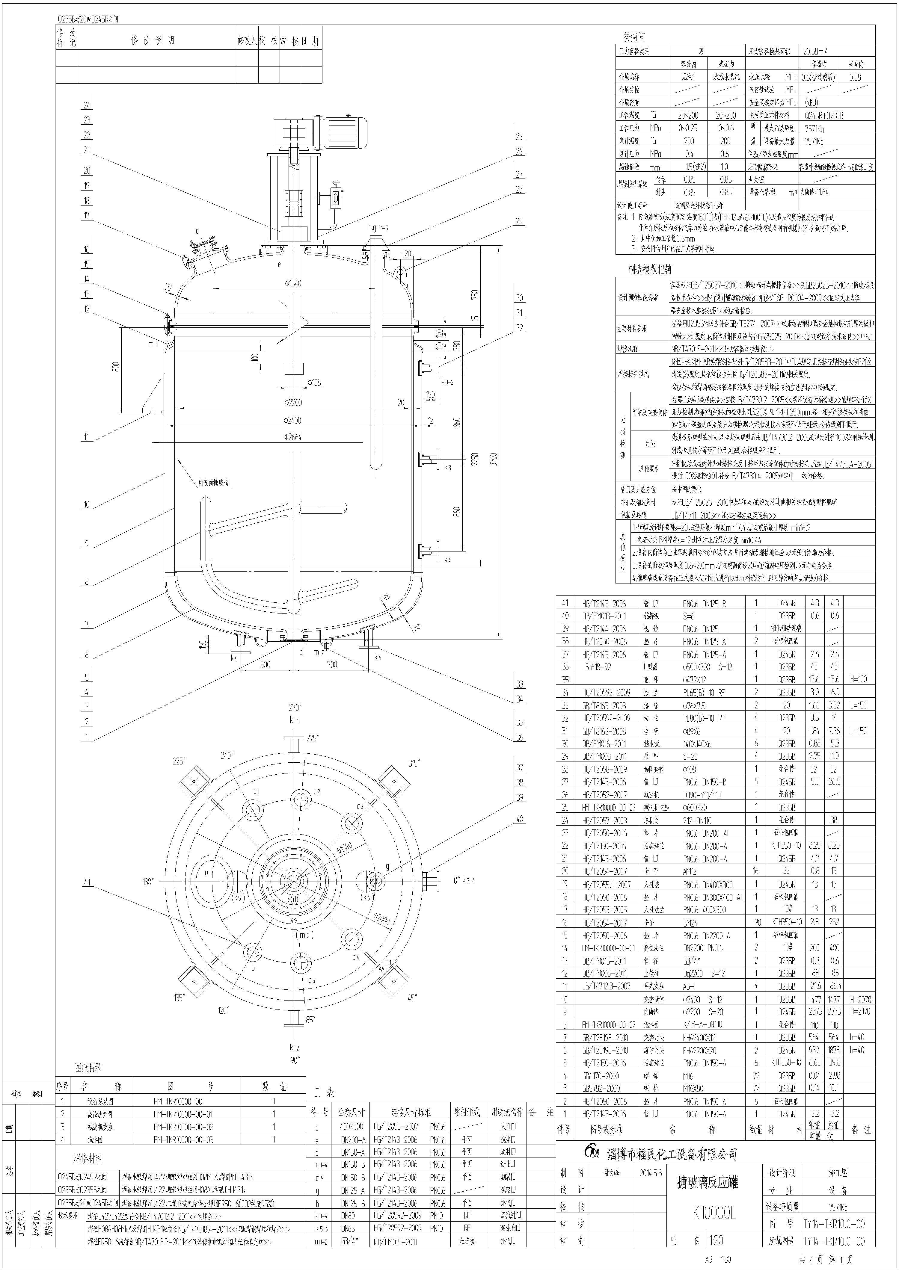
10000L搪玻璃反应釜主要参数及图纸,大型的搪玻璃设备也是很多企业需求量较大的,为了保证正常的运行和工作,选择优质的设备是非常有必要的,今天我们就先来介绍下10000L搪玻璃反应釜的主要参数,大家若想了解更多也可以参考其图纸。
10000L搪玻璃反应釜有开式和闭式两种型式,大家可根据自己的需要来选择。
10000L搪玻璃反应釜开式主要参数:公称容积:10000L;实际容积:10520L;传热面积:20.58㎡;内筒体:ф2200mm S=20mm;夹套筒体:ф2400mm S=12mm;搅拌器:K/M-A-DN110;釜体设计压力(0.25MPa、0.4MPa、0.6MPa),反应釜夹层设计压力(0.6MPa),反应釜参考重量7571㎏。一般采用11KW减速机,锚(框)式转速63.85r/min(叶轮80.125r/min),配有带视镜人孔盖PN0.6 400X300-II,垫片PN0.6 DN150。
10000L搪玻璃反应釜主要参数及图纸
10000L搪玻璃反应釜主要参数及图纸

10000L搪玻璃反应釜闭式技术参数:公称容积:10000L;实际容积:11674L;传热面积:21.35㎡;内筒体:ф2200mm S=20mm;夹套筒体:ф2400mm S=12mm;搅拌器:K/M-A-DN110;釜体设计压力(0.25MPa、0.4MPa、0.6MPa),反应釜夹层设计压力(0.6MPa),反应釜参考重量8250㎏。一般采用11KW减速机,锚(框)式转速63.85r/min(叶轮80.125r/min),配有带视镜人孔盖PN0.6 400X300-II,垫片PN0.6 DN150。
以上是对10000L搪玻璃反应釜主要参数及图纸的简单介绍,大型设备价格偏高,希望用户朋友们在采购的时候慎重选择,如果条件允许能亲临现场考察那就更好了。如果大家对10000L搪玻璃反应釜还有不清楚的地方,可以随时联系我们的工作人员,我们会竭诚为您服务。
淄博福民24小时客户服务热线:如果您对10000L搪玻璃反应釜感兴趣或有疑问,请致电:13906430854/0533-2860177,淄博福民化工设备--您贴心的采购厂家。
下一篇:搪瓷反应釜分水装置介绍






