- 淄博市福民化工设备有限公司
- 地址:山东淄博张周路7号
- 手机:18653342297 王经理
- 电话:400-0533-907
- 传真:+86-533-2860177
- 邮箱:fuminsale@126.com
- 淄博市福民化工设备有限公司
- 地址:山东淄博张周路7号
- 手机:18653342297 王经理
- 电话:400-0533-907
- 传真:+86-533-2860177
- 邮箱:fuminsale@126.com
ZW型搪玻璃贮罐\储罐(卧式)
来源:未知??日期:2015-05-18




技术参数:
1.设计压力:罐体=0.2MPa、0.4MPa、0.6MPa、1.0MPa、夹套=0.6MPa
2.搅拌器:具有多种型式的搅拌器供用户选择
3.减速机:立式减速机
4.轴封:填料密封(0.2MPa)、单端面机械密封((OAMPa)、双端面机械密封(O.6MPa. l一 OMPa)
5.罐体设计压力超过0.6MPa的搪玻璃储罐需特殊定货
6.ZW系列储罐主体尺寸符台HG/ T2371-92. GB:T 25027-2010标准,并在此基础上进行了改进。
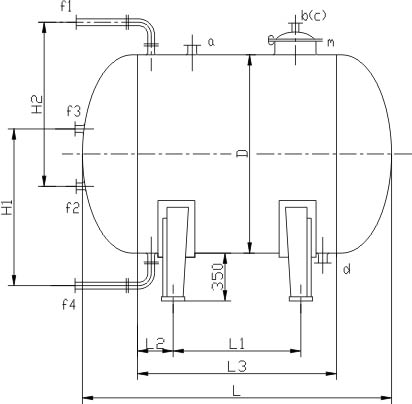
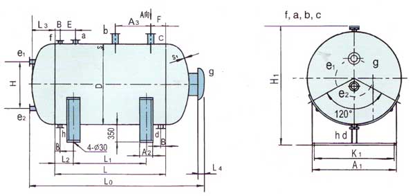
ZW型搪玻璃贮罐管口方位:

ZW型搪玻璃贮罐外型尺寸及其参数表:

★ 温馨提示:以上zw系列搪玻璃储罐参数符合HG5-251-79标准,本公司所使用的产品部分图片为合成图、模拟演示图、效果图,与实物可能存在细微的差别,所以效果演示图和示意图仅供参考。
ZW型搪玻璃储罐,又称为搪玻璃贮罐,搪瓷储罐等。是搪玻璃设备的一种。
一、概述:
ZW型搪玻璃储罐是将含高二氧化硅的玻璃,衬在钢制容器的内表面,经高温灼烧而牢固地密着于金属表面上成为复合材料制品。所以,它具有玻璃的稳定性和金属强度的双重优点,是一种优良的耐腐蚀设备。已广泛地应用于化工、石油、医药、农药、食品等工业。为了保证搪玻璃设备正常使用,现将其主要性能和安装、使用注意事项说明如下:
二、技术规范:
1、许用压力:
2、耐酸性:
对各种有机酸、无机酸、有机溶剂均有较好的抗蚀性。如将我厂生产的搪玻璃试样置于20%HCI溶液中煮沸48h,腐蚀速率为0.9lg/m2.d(优等品指标为1.0g/m2.d)。
3、耐碱性:
搪玻璃对碱性溶液抗蚀性较酸溶液差。但将我厂搪玻璃试??样置于1N氢氧化钠溶液腐蚀,试验温度80℃时间48h。腐蚀速率为6.76g/m2.d(优等品指标为7.0g/m2.d)。
4、操作温度:
搪玻璃设备加热和冷却时,应缓慢进行。我厂制造的搪玻璃设备使用温度为0-200℃,耐温急变性≥200℃。
5、瓷层厚度:
搪玻璃设备的瓷层厚度0.8-2.0mm,搪玻璃设备附件的瓷层厚度0.6-1.8mm。
6、耐压电:
搪玻璃具有良好的绝缘性,当搪玻璃在规定厚度内用20KV高频电火花检查瓷层时,高频电火花不能击穿瓷层。
7、耐冲击性:
玻璃层的内应力越小,弹性越好,硬度越大,抗弯抗压强度越高,则耐冲击就越好。我厂之玻璃层在规定厚度内,用直径30mm,重量112g钢球冲击时,其冲击功为282×10-3J(优等品指标为260×10-3J)。
三、安装、使用及维护:
1、吊装时应用胶板等软垫将瓷面?;ず茫磺泄ぞ吖ぜ坏糜氪擅娼哟セ蚺鲎?,以免损坏瓷面。
2、在搬运不带包装箱的设备时,只能使设备的罐耳、支脚受力,不许接管、管箍、卡子等易损部件受力,要轻起轻放,避免震动和碰撞,搬运时不应滚动或用撬杠撬。
3、拧紧卡子时要对称顺次拧紧,用力均匀万不可一次拧紧,以免局部应力过大,而法兰变形损伤瓷面,为了获得良好密封,最好在拧到一定程度,即缓缓向罐内通放蒸汽,待垫子变软后再完全拧紧。
4、凡已搪瓷之铁胎,外壁均不得施焊。
5、凡搪瓷之各部件结合处,均应根据反应介质或温度选择柔韧、耐蚀、耐温、宽度厚度适宜的垫片。采用石棉橡胶垫片,一般罐体与罐盖结合处为:厚度≥15mm,宽度15-40mm;接管处为:厚度≥8mm,宽度15-30mm。
6、安装搅拌器其轴封处之经向跳动量应调整到最小程度,以利密封,且搅拌器不可反转,以免搅拌器落下碰伤瓷面。
7、在使用中要注意各法兰联接处的密封情况,如发现泄漏立即采取措施,如遇酸类速用碱液中和水洗。
8、使用过程应缓缓升温或冷却,因为突然受热和冷却所形成的应力,会影响搪玻璃设备的使用寿命。
9、搪玻璃设备不宜应用于下列介质的贮存和反应,否则将会因腐蚀而较快地损坏:
?、湃魏闻ǘ群臀露鹊那夥?
⑵PH>12且温度大于100℃之碱性介质;
?、桥ǘ却笥?0%,温度高于180℃之磷酸;
?、人峒罱惶嬷从?
⑸含氟离子的其他介质。
10、进入罐内检修设备时,应在罐底铺上软垫,以免工具落入,并须穿胶底鞋(胶鞋、塑料鞋)以免损伤瓷面。
11、如遇出料口堵塞,不应用金属工具铲打,可用木棒或其他软质物件疏通。
12、使用过程应定期进行检查,如遇放出之物料内发现搪玻璃碎屑,应立即进行检查,研究原因找出措施,经修补后方可使用。粘结在罐内表面上的反应物料应及时清洗,清洗时不应用金属工具,以防损坏玻璃衬里。
搪玻璃设备是将含硅量高的瓷釉涂于金属表面,通过950℃搪烧,使瓷釉密着于金属铁胎表面制成。因此,它具有类似玻璃的化学稳定性和金属强度的双重优点。
搪玻璃设备广泛适用于化工、医药、染料、农药、有机合成、石油、食品制造和国防工业等工业生产和科学研究中的反应、蒸发、浓缩、合成、萃取、聚合、皂化、矿化、氯化、硝化等,以代替昂贵的不锈钢和有色金属。耐腐蚀性:对于各种浓度的无机酸、有机酸、有机溶剂及弱碱等介质均有极强的抗腐性。但对于强碱、氢氟酸及含氟离子介质,以及温度大于180℃,浓度大于30%的磷酸等不适用。
ZW型搪玻璃储罐,搪玻璃设备主要包括反应罐、储罐、蒸馏罐、冷凝器,设计制造的主要依据标准:GB150-2011《压力容器》和《压力容器安全技术监察规程》以及GB 25025-2010《搪玻璃设备技术条件》。
上一篇:ZF型搪玻璃贮罐\储罐(闭式)
下一篇:搪玻璃薄膜蒸发器




